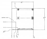
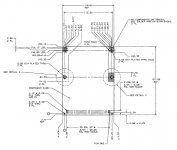
Before I start this, I thought it would be a good time to ask for assistance. If anyone is an experienced mechanical CAD user, this would be a much appreciated contribution to the project. My experience is limited to creating a few designs back in the early nineties from scratch. It never included reading a mechanical drawing to input data as in this process.
I could do it in illustrator as a graphic for cutting a rubylith or silk screen stencil on my plotter, but those files would likely prove to be ineffectual for this purpose. Importing a CAD file format for use in Illustrator works in my graphic design process for laser printed etch resist film which was my original intent. However the precision drill file type data required for KiCAD or the like is lost in my process. Exporting the object oriented graphics as .DXF etc. from Illustrator (running them through Corel Draw for doing the translation) won't cut it for a KiCAD file import by PCB layout application for creating Gerber/drill file process boards.
TIA for any help.
< tangential TLDR mode >
It's a bit ironic that CAD files for PCB production were developed by Joseph Gerber and here's why:
In high school I considered myself a fine artist, so much so that when I went into full on stubborn mode when I took Art III and found out it was for commercial design. I sat at my table refusing to participate, accepting the fact that I would fail the course if I wasn't allowed to transfer to another elective. The
very stubborn Daughters of Charity had met their match, relenting and allowing me to take Sociology for the balance of the semester. I never let on that they'd actually gotten the better of me because I'd rather have taken that F than sit through those classes, which I found to be the second most aggravating experience of high school and college put together. But that's another story. The sendoff the Vice Principal gave me was well and truly sweet. The last of the many things she'd said to me was "I hope you like what you do in college, because God help them if you don't!" [

] ]'>
Somewhere in the process of taking enough fine arts electives (mostly printmaking) to qualify as a second major if there's been a degree program, I decided that I wasn't truly a fine artist after all. I loved the processes for every medium for making drawings, paintings, prints and sculptures. But not finding a "voice" to say anything of import (that's a bit ironic too) I decided that craftsmen (like my grandfathers) don't starve, they eat three square meals a day and make payments on a house. They offered me a "One Man Show" during final quarter before graduation and I took them up on it if they'd let my friend participate. By then I insisted to the faculty that I wasn't an artist, I was a craftsman and I wound up in the sign business. Not bad, on that path I beat my goal of owning my own screen printing business by age 30 by a couple of years.
I'd found the process apprenticship aggravating enough that I almost packed it in to take up a sales job at Burroughs that my Mechanical/Systems Engineer dad had lined up for me in September. While dejectedly sweeping the floor one day, I came to the realization that "The're gonna automate this sh*t!" 8-o So I stuck it out with dad's approval, finishing my apprenticeship at the company I'd wind up owning in NYC.
Enter Joseph Gerber/Gerber Scientific and the Signmaker III, the first mass produced vinyl letter cutting system. I waited it out until they offered the second generation "Sprint" which had a TTL display replacing the neolithic LED readouts of the III. When Gerber introduced a closed system for logo design based on a digitizing tablet, an Apple IIe and proprietary software I went into full on stubborn mode again until I sourced the MacSignMaker video to vinyl system. It was still proprietary software, but it didn't fully closed. Longer tangent short, I found myself using the Gerber Sprint to prototype an emulator/reader for Gerber's closed font format ($300 per typeface) and doing the large scale polyline plots that led us in breaking Gerber Scientific's proprietary font cartridge format. This let us import Type Three PostScript fonts created on the Mac in Fontographer into CorelDraw as "Readable Postscript." Those, long with CorelDraw's bundled fonts and any Type Three font available for DTP could be used in emulation mode with Gerber's proprietary machines. We did a translator for graphics exported from CorelDraw as the character "A" as well. This was the first "Postscript Translator" for producing signs and I was the only one doing it in the greater metropolitan area at the peak of the DTP revolution, beating Gerber Scientific and everyone else in the industry by a little over a year! But I'm now letting on that Gerber, like the nuns had, may have finally gotten the better of me.
Now I need to use Joseph's
Gerber System Corp's file format for this, my second crazy reverse engineering/emulation electronics project. :

At least this one's an open standard paper tape format for industrial use, long predating the SignMaker III. So maybe I'm still ahead of Gerber after all! :rambo:
If that you've read this drivel, I hope you've found it entertaining. Sweet irony, I'm definitely enjoying it!
< /tangent >
Little help?