I never had a chance to call today, too many fires to put out, but I got a lot done on several fronts, IRL and here as well. :approve:
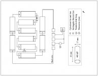
It's now a little after 4AM and I've pried the cells of the BTI MC-Duo2300 battery just far enough apart to do a circuit diagram. It's late because I couldn't let it go, I also translated the asymmetrical FatBarH into the very neat little 2x5 array of cells. Amazingly enough, all the solder connections for the components happen at the outside ends, leaving a clean center line for the five springs mounted between the pairs of cells.
I stopped by the Shack and picked up three more battery packs to cannibalize, but I'll only need two in addition to the one in the pictures. Since the two intervening components of the circuit are wired up to the separate termination ends from the packs and I need two separate termination ends to attach the battery to the contacts, I only need two of the very cool joint plates.
For now I'm treating the PIC board as a black box, only showing the four wires connected to the three pads on the bottom. After I get the two diagrams done in Illustrator, I'll probably have a go at doing a detail box for the PCB that shows all the traces and the components they connect. Maybe you sorcerers can divine the meaning of this friggin' mess from the diagrams and PCB layout . . .
. . . |) zzzzzzzzzzzzzzzzzzzzzzzzzzzzzzzzzzzz
It's now a little after 4AM and I've pried the cells of the BTI MC-Duo2300 battery just far enough apart to do a circuit diagram. It's late because I couldn't let it go, I also translated the asymmetrical FatBarH into the very neat little 2x5 array of cells. Amazingly enough, all the solder connections for the components happen at the outside ends, leaving a clean center line for the five springs mounted between the pairs of cells.
I stopped by the Shack and picked up three more battery packs to cannibalize, but I'll only need two in addition to the one in the pictures. Since the two intervening components of the circuit are wired up to the separate termination ends from the packs and I need two separate termination ends to attach the battery to the contacts, I only need two of the very cool joint plates.
For now I'm treating the PIC board as a black box, only showing the four wires connected to the three pads on the bottom. After I get the two diagrams done in Illustrator, I'll probably have a go at doing a detail box for the PCB that shows all the traces and the components they connect. Maybe you sorcerers can divine the meaning of this friggin' mess from the diagrams and PCB layout . . .
. . . |) zzzzzzzzzzzzzzzzzzzzzzzzzzzzzzzzzzzz











