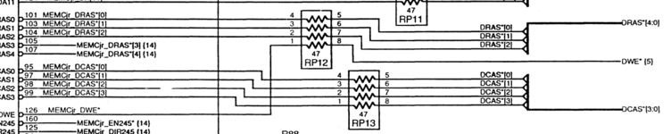
You can figure that out from the pins of MEMCjr.Not so lucky. How are the pins numbers arranged?View attachment 81159
101 = 4 That one with the white triangle and the via
103 = 3
102 = 2
126 = 1
You may also check that 5 is connected with pin 4 of all onboard RAM chips
6 is connected with pin 34 and 44 of RAM SIMM socket
7 is connected with pin 33 and 45 of RAM SIMM socket
8 is connected with pin 47 of RAM SIMM socket and pin 3 of all onboard RAM chips
