right. so no contrast slider either. Just non backlit. Ok, makes sense.So you don't have a backlight. No version of the brightness panel is going to work.
right. so no contrast slider either. Just non backlit. Ok, makes sense.So you don't have a backlight. No version of the brightness panel is going to work.
The Portable does have contrast adjustment. It works the way it should on my non-backlit.Yeah, it's still TFT Active Matrix so it doesn't need contrast adjustment.
Yeah is it a big change? Or subtle change in contrast?Still doesn’t explain the issue with the OP’s machine. Perplexing.
Give me a bit to get mine out of mothballs, and I will show you the difference.Yeah is it a big change? Or subtle change in contrast?
Interesting, well i wish i knew if i had proper version of 6.0.7 on it, or of there is a more specific version for portable?? When i installed a chose under customization to do portable etc. i wish i had more memory lol.. maybe system 7 would be better??@imactheknife On mine it's very noticeable, the lowest end of the slider makes the display quite faint. FWIW I did see a difference in your video, but it was very minor - certainly should be more.
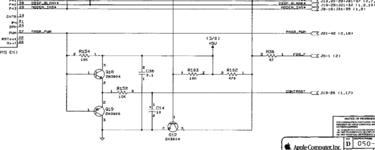
I have doubts 7 would make a difference, and likely will drag without enough RAM. I'm using 6.0.8, seems good. This might merit a look at some docs to see how the contrast is being controlled... I'm not sure what the control panel is doing exactly, but it might be discoverable looking at tech notes and the schematics.Interesting, well i wish i knew if i had proper version of 6.0.7 on it, or of there is a more specific version for portable?? When i installed a chose under customization to do portable etc. i wish i had more memory lol.. maybe system 7 would be better??
Would it be something on logic or lcd? It is recApped etc and working excellent otherwiseI have doubts 7 would make a difference, and likely will drag without enough RAM. I'm using 6.0.8, seems good. This might merit a look at some docs to see how the contrast is being controlled... I'm not sure what the control panel is doing exactly, but it might be discoverable looking at tech notes and the schematics.
I honestly don't know - I'm not familiar with the LCD circuitry. There *are* caps on the panel but they're not so prone to leakage as on the 1xx PBs afaik. Others have recapped their Portable screens, but I'm not sure if it was to address contrast issues. I wish I could provide more certainty here. I can take a look at some docs later and see if anything becomes apparent.Would it be something on logic or lcd? It is recApped etc and working excellent otherwise

No,,haven’t been back into it lately. Will have to take a closer look and see. Was hoping to get more memory for it but someone out bid on sleeze bay lol..Did you ever get this sorted out?
I just have the 1 meg on logic boardWhat capacity are you looking for? Do you just have the built-in RAM now?