• Hello MLAers! We've re-enabled auto-approval for accounts. If you are still waiting on account approval, please check this thread for more information.

Compact Mac retina display

Well real life has intervened for the moment, so I haven't had time for any more experiments... mostly.

I did order one of these 9" "Super VGA" CRT monitors to test:

http://www.ebay.co.uk/itm/121770406890

IMG_3671.jpg

It is advertised as 800x600 resolution, but so far as I can tell it is plain vanilla VGA. It syncs fine at VGA, but loses horizontal sync on Macintosh 640x480 which is about the same horizontal rate as 800x600 @ 60Hz. It's also advertised as having "faint screen burn", if you count having the words TILL 02 CLOSED DOWN in heavy letters "faint". :)

But mainly I bought it because I thought the comparison of the internals to the compact Mac could be instructive. Here are a few initial photos. Sometime later I may take some measurements on the yoke or flyback transformer, and possibly see if the video amp circuit is worth emulating.

IMG_3665.jpg

IMG_3666.jpg

IMG_3667.jpg

IMG_3668.jpg

 
Today I worked on the image horizontal centering. As you'll see in the earlier pictures, the image is shifted off to the right. That could be due to one of two things: either the video signal is shifted in time relative to the HSYNC pulse, or there is a DC current through the yoke which shifts everything to the right.

The first of those is easier to address. I built a circuit with a 74LS123 to delay the HSYNC pulse by a variable amount, up to maybe 20us. (Incidentally the Classic analog boards have a horizontal position control which works on a similar principle.) I'll make a schematic later, but here's the result with 4.3us of delay on the yoke HSYNC pulse:

IMG_3681.JPG

Nice and centered! Just for kicks it can be delayed way too much to see what happens:

IMG_3683_2.jpg

Here we see the video folded over during the retrace time. Not useful of course, but it also shows another problem. With the scan lines visible it shows that the picture is, in fact, systematically shifted to the right. That is, the scan covers more of the right side of the CRT than the left. That must be from DC current through the yoke in my simple driver circuit.

I may have to make a fake flyback primary (probably just a big inductor) to be able to build a circuit more similar to the original. C15, which I've removed, is really useful because it ensures that there's no DC current through the yoke. Unfortunately it can't be used in my simplified driver or the result is no signal at all. The other alternative is just to leave it as is and use the delay trick. My main concern is the extra heat the DC current may be generating in the yoke.

Finally, a strange effect. When I increase the power supply voltage on the yoke circuit beyond about 17V, all of a sudden my delay circuit goes unstable and produces an odd pattern where each scan line starts in a different place:

IMG_3686.JPG

I'm pretty sure this is a crosstalk issue, probably noise on the ground line, which will be solvable with more compact wiring.

 
Finally, a strange effect. When I increase the power supply voltage on the yoke circuit beyond about 17V, all of a sudden my delay circuit goes unstable and produces an odd pattern where each scan line starts in a different place:
Because the rails going to the logic have to be decoupled, How are you powering it? and are the grounds shared? 

 
Last edited by a moderator:
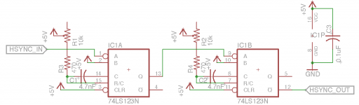
Yep, circuit design 101 (though still quite easy to forget). :) Here is the schematic, though the circuit isn't in front of me at the moment so there may be an error here. It's nothing too elaborate, basically the first half creates a pulse of variable width in response to a falling edge of HSYNC, and the second half triggers on the end of the first pulse. Adjusting the R1 changes the delay; adjusting R2 changes the time spent low (which is set to match the original HSYNC).

Screen Shot 2015-11-05 at 00.14.42.png

It was all a bit of a crude breadboard hack just to see if it would work. It's powered from an external 5V supply, a multi-output unit which is also powering the yoke circuit. The grounds are all shared, including to the SE/30 analog board near the point where the HSYNC signal is taken. In fact a possible culprit is ground loops via earth, which comes separately off the SE/30, the power supply and the oscilloscope. Anyway, now that the concept basically works, I need to clean it up and it shouldn't be hard to squash that particular problem.

The other use for a circuit like this is that later on, when taking other resolution signals, this lets me adjust the retrace time independently of the HSYNC signal. At the very least, I need to make sure the retrace period isn't too short, which could melt the HOT if it switches on too early.

 
Last edited by a moderator:
Well you need to figure out a way to isolate the digital and analog ground. Maybe through a cap and ferrite bead? Dunno. Thats the fun part!

Sure the breadboard thing doesnt help, But at the same time I built an horizontal oscillator/sync circuit on a breadboard back when I was screwing around with the macintosh monitors, and didnt really have a problem. But, your doing something way more advanced than I tried to do. haha. 

The retrace definitely has to be in sync with the line frequency, which is your horizontal. The flyback can be something different and isolated as long as its phase locked. You can use a free-running oscillator for the flyback, But you need a good HV capacitor to filter out the noise. The old school tube type TVs from the 1940s, the electrostatic sets like the motorola VT-71 used a free running HV generator with a tickler coil on the HV rectifier tube. And it filtered out noise by shielding the HV circuitry away from everything else, and big HV filter caps. 

The bell of the CRT makes a good capacitor through the aquadag, BUT they dont use any grounding straps! try one. I bet itll work. 

Clever little circuit though. Never thought about using a 1-shot multivibrator setup. Now, my brain is more digital-minded than analog, so I would have used something like a programmable divider, or something of that nature. (digitally adjust horiz position)

 
Last edited by a moderator:
Oh, and why is there DC current? Can I see the schematic of your driver? You may just need a simple class AB amplifier using both a positive AND negative voltage to prevent offset in the yoke. You would need a Ramp oscillator here for that to work. 

And, yes... any DC offset in the yoke will cause it to heat up. 

 
Last edited by a moderator:
The schematic is in Post #5 in this thread, based on the principles at the link in Post #2. It's taken a while for me to understand how these flyback circuits work because the principles are pretty different from other amplifier circuits. (I do have a background in analog electronics, but not many people work closely with inductors and transformers anymore, unless building switching power converters.)

A Class-AB amp will work great for the vertical deflection (and I think that's what is there now) but the horizontal is too fast, with too high of a voltage during retrace to generate easily. I'm sure it's possible, but it would run pretty hot.

But studying these old circuits you come to admire the cleverness of what people came up with with very limited means. With just a single switching transistor, the sawtooth generates itself! While the transistor is on, you get +Vcc across the inductor, which creates a linear ramp in current. When the transistor switches off (retrace) that current has to go somewhere so it charges the capacitor (C12) and rings for a half-cycle, during which time the direction of the current reverses.

The DC offset comes, I think, from the losses in the system. If there were no resistance anywhere, the ringing would be perfect and at the end of the retrace period, the current in the yoke would be exactly equal and opposite to where it started. But some of it is lost to resistance (heat) so it ends up with a slightly smaller current in the negative direction compared to the positive. Averaged over time, the net result is a DC offset. It's not huge, maybe 10% of the total, but as you say it's heat that we don't need!

This doesn't happen in the regular SE/30 analog board because of C15 (nonpolar 3.9uF cap), which blocks DC current. But (as I understand it), to use a cap in my simplified circuit, the whole operation needs to be driven from something resembling a current source rather than a voltage source. I think the way it works on the analog board is that the flyback primary is a big inductor, probably bigger than the yoke, so Q2 does effectively see a constant current from it. But the full operation of the transformer is still a bit confusing. And in any case, the whole point is to get rid of the flyback, so I'll need to find a different solution.

Interesting idea on the HV caps! Sounds possibly a bit hazardous though. :)

 
Last edited by a moderator:
Well, I am wondering if maybe a Class-D or even a Class-GH setup for the horizontal winding. GH keeps it analog but steps the voltage to reduce the heat produced in the output stage. 

AB as it is could be a massive heat producer because the frequencies at which it needs to operate at. BUT... using class D, its doable, And you can cleverly design the output stage to allow the yoke to be part of the low-pass inductor circuit and it too will generate its own ramp. :)

Who knows.. possibilities are endless here, thats the fun part!

Or... your original circuit you could add a transistor as a high-side switch to the yoke keeping it disconnected until required for the dwell period. Thats another option. 

I noticed on the original design the yoke is ground-side connected, and your new little circuit its high side connected, wondering if maybe that is an issue? 

I dunno, maybe toy around with some fun things. 

 
Last edited by a moderator:
First resolution-changing experiments!

I decided the best way to test different resolutions with the existing display was to keep the 1-bit video circuits for now and build a high-speed comparator circuit to turn a VGA-level signal into a logic output. I used an AD8561 comparator for this, with an adjustable threshold set somewhere in the middle of the grayscale range.

I also built another one-shot 74LS123 circuit for the vertical sync pulse, because my measurements showed that VSYNC is low for only about 50-60us on most resolutions, compared to the 180us on the SE/30 display. Vertical retrace isn't usually that short so the 74LS123 extends the pulse to a length up to maybe 150us.

After a bit of surgery on the traces around P4 on the analog board, this was the result driving from VGA resolution on a Quadra 650 (still using the SE/30 logic board HSYNC signal to drive the flyback; I'll look at phase locking later):

VGA first attempt.jpg

Not bad, though not great either. The geometry of the image is pretty good, though even with no delay at all on HSYNC, there is a foldover problem-- the video line starts too soon. The reason for this is that the retrace time on the yoke circuit is too long. It was 4.6us, which depends on the series inductance of the yoke and the width coil (L2), and the value of the flyback capacitor C12, 25nF in this case.

There are two ways to shorten this. One is to make C smaller, which I did, reducing it down to 15nF. The other is to get rid of the width coil which I'd previously measured at about 25% of the inductance of the yoke itself. There's no reason to use the width coil in this circuit anyway, since the supply voltage determines the picture width. (In fact, the later Classic analog boards don't use a variable inductor for width either.)

So replacing L2 with a short circuit and C12 with 15nF, I got this:

VGA no L2.jpg

Getting there! To get a wider picture I will need a power supply of greater than 20V, and also I'll need to replace the HOT with something that can withstand more voltage. I'm thinking of building a MOSFET circuit like in the Classic analog boards, which will also have the advantage of getting rid of a custom Apple transformer.

More immediately, though, the video looks a little wonky. There's that bright line on the left side of the screen, which actually only appears when the supply voltage (i.e. width) is large. I'm pretty sure it's some sort of interference between the high-voltage pulse on the yoke and the millivolt-level high-speed comparator circuit. I built all this stuff onto a PCB and everything is bypassed correctly, but there's still a bunch of long wires stringing all over the place from SE/30 to yoke driver to sync/video circuits. Not really ideal for high-speed stuff like this.

Related is the vertical stripes in the video near the left. I'm pretty sure this is also some signal superimposed on the comparator, or a result of running a long single wire from my board to the SE/30 carrying the 25MHz video signal.

The geometry is great though! This really makes me think this can work once it's all properly cleaned up.

 
Finally, since it was all set up anyway, I tried a Mac 13" 640x480 signal (same resolution, 10% faster scan rate):

Mac 13%22 no L2.jpg

No problems on vertical sync at all (just like techknight predicted). The picture is a little shorter but could easily be adjusted with the trim that's already on the analog board. However, the checkerboard pattern has become very dark. 832x624 is even worse-- all you see is the floppy icon! I think the speed of the CRT video amplifier circuit will start to become a limitation here.

Which raises another question. Has anyone tried one of the Micron Xceed replica CRT boards that are for sale online? Not only would it be a useful eventual grayscale solution, but the amplifier might also have better bandwidth than the stock CRT board.

 
bandwidth on the neck board was an issue if I recall. But the circuit diagram of the Xceed neck board is available, so you could whip up a quick replica. 

Anyways... for shits and giggles, try 512x384, which is the mac 12" RGB Resolution. As for increasing the voltage, Try a boost converter coil in the yoke circuit? Sure you have to calculate it out but with the correct value, the discharge on the coil should charge the voltage to drive the yoke. In normal circuitry, the flyback acts as this. But in your case you dont have that. So make one ;)

If this means anything, I recall working on monitors way back in the day that had split-horiz systems. the horizontal yoke output, and flyback output were separate. And in all cases that I can recall, the horizontal yoke stage always had a SMPS-Sized transformer in there. either as a transformer, or as a coil. I cannot recall. But it was there. Projection TV sets come to mind. Mitsubishi, and Hitachi. 

The issue your having with width could be the reason why they use horizontal output transformers. Maybe to Impedance match the yoke against the circuit, or as a charge-pump boost type thing. 

 
Last edited by a moderator:
New question concerning the inverse: if standard video output is decoupled in the same manner and sync'd to the internal display, will overclocking the system bus to the point of FDD borkage become a possibility?

 
A little bit more progress. I added a voltage reference (TL431) in the video comparator circuit to get a more stable threshold and tightened up the wiring. That seems to have eliminated the vertical bars on the left side of the image.

 
For the video signal, I also took U1 (the 7438 NAND/inverter) out of the circuit and hooked up the video comparator output straight to its output. My guess was that the 7438 might be too slow for higher-res video. Removing it seems to have helped a bit with the dark image problem at higher resolutions.
 
Here's a VGA input now. The overall geometry is cleaner, but it actually makes some of the smaller imperfections more obvious:
 
VGA after voltage ref.jpg
 
A couple notable issues. First, each video line starts in a slightly different place, which you can see when looking closely at the edge of the picture. Also, some lines are brighter than others which shows up as horizontal stripes in the image. One or both of these is probably now from the lack of phase lock between the flyback circuit and the yoke driver circuit. Some kind of PLL is probably the next step.
 
Here's 832x624 now. Still needs more width, and it has some rollover, but at least the video is visible:
 
Mac 16%22 after voltage ref.jpg
 
techknight, that's a helpful piece of info on the split horizontal systems, specifically the fact that they all have an extra transformer or inductor. I wouldn't be surprised if it was just a straightforward inductor which serves the same function as the flyback primary in a combined system. I plan to do some experiments with adding an inductor for this purpose, which will let me add the DC-blocking capacitor (C15) back into the circuit. If that works it will get rid of the horizontal offset problem and save some wasted power.
 
For increasing the voltage, that just takes a different power supply. The benchtop supply I have right now tops out at 20V, but the circuit could easily be run at a higher voltage and will undoubtedly need to be for the higher resolutions.
 
I also just bought a Radius Pivot SE/30 PDS card (plus a IIsi Radius card and angle riser card) so once the higher res is working I should be able to drive it from the SE/30 itself rather than the external video source I'm using now.
 
something more simple instead of using a PLL, use a programmable divider. so the flyback runs off of a divided frequency of the scan. Thats how alot of cheaper multisync monitors worked. 

 
Yeah I think a simple divide-by-2 will work well for 832x624 (49.7kHz horizontal).

For Mac 640x480 (35.0kHz) or VGA (31.5kHz) it should probably be 3:2. Or at the least, there will need to be other changes to the flyback circuit to make it happy at 16-17kHz. Longer scan lines means more current and higher peak voltage during flyback, which could damage something. Have you done any experiments running this circuit with NTSC inputs? From previous discussion I take it the transformer itself is rated for it, but there would need to be other changes.

Before any of this, what I may do is run the flyback circuit off a signal generator and see how the CRT voltages change as the frequency goes up or down. I don't have the tools measure the anode voltage but the rest I could check, assuming they will all remain roughly proportional.

 
Back
Top