Guess who has a new osciliscope that can pick up MHz, replaced a crystal and now gets 14.3mhz on pin 5 B13.
This guy! Wooo!

Off to find the rest of the brokenness in this machine.. pin 5 matches basically what 6 and 8 see for output (expected 14.3mhz)
Pin 12 is sending out 7mhz, good

Pin 13 has 3.5mhz, good

I'm just ecstatic to see life here.
Pin 37 however of the 6502. Not looking so hot.

Don't think it's supposed to look like that..
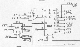
Continuing on with B13 -> B12.
Pin 2 - 7mhz - good
Pin 3 - 7mhz - good
Pin 4 - 7mhz - good
Pin 5 -> entry point from B13 -> 7mhz -> Good
Pin 6 - 3.5mhz - good
Pin 7 - 3.5mhz - good
No pin 8 in logic diagram
Pin 9 - 14mhz - good
Pin 10 - 1mhz - uhhh, ???? -

Pin 11 - 1mhz - uhh, ???? Looks like it's not happy

Those looks off, supposed to be a 1mhz clock signal if I read correctly.

Anyone else looking at the schematics:
Know if that's expected or where a 1mhz clock signal would come off?
I decided to take another look at the video logic again.
Seems it "starts" with D4? Right?
Both show C1m, the 1mhz clock signal?
I get a 60hz wave there (expected..?)
Ignore pin 10 and 11 of B12? Or seems wrong?
Sorry for the long post. Just excited to SEE something! No video yet of course lol, but we're getting somewhere
This guy! Wooo!

Off to find the rest of the brokenness in this machine.. pin 5 matches basically what 6 and 8 see for output (expected 14.3mhz)
Pin 12 is sending out 7mhz, good

Pin 13 has 3.5mhz, good

I'm just ecstatic to see life here.
Pin 37 however of the 6502. Not looking so hot.

Don't think it's supposed to look like that..
Continuing on with B13 -> B12.
Pin 2 - 7mhz - good
Pin 3 - 7mhz - good
Pin 4 - 7mhz - good
Pin 5 -> entry point from B13 -> 7mhz -> Good
Pin 6 - 3.5mhz - good
Pin 7 - 3.5mhz - good
No pin 8 in logic diagram
Pin 9 - 14mhz - good
Pin 10 - 1mhz - uhhh, ???? -

Pin 11 - 1mhz - uhh, ???? Looks like it's not happy

Those looks off, supposed to be a 1mhz clock signal if I read correctly.

Anyone else looking at the schematics:
Know if that's expected or where a 1mhz clock signal would come off?
I decided to take another look at the video logic again.
Seems it "starts" with D4? Right?
Both show C1m, the 1mhz clock signal?
I get a 60hz wave there (expected..?)
Ignore pin 10 and 11 of B12? Or seems wrong?
Sorry for the long post. Just excited to SEE something! No video yet of course lol, but we're getting somewhere
Last edited:


















