C5 + connects to UB11, pin 15 and UB10 pin 15To my everlasting shame, I lifted the pad at C5+ ... all the other pads are OK. Would some kind person tell me where to run a bodge wire from C5+ ? or where to find a clear schematic.
Thanks!C5 + connects to UB11, pin 15 and UB10 pin 15
Are there tools that will let you highlight traces on a Gerber file? That would be really helpful.You'll be fine most damage is on the surface and vias can usually be easily bypassed. The best tool you have for repair is your eyes. Spend the time inspecting every pad and via and you will see anything that looks nasty, then you can check it with a multimeter. I think we have multiple schematics for these. A reproduction board with minor changes, but will open in tools that will highlight traces for you, as well as Bomarc (not a huge fan) and possibly also Apple schematics (their early revision schematics and there is a change, but that is documented in the reproduction).
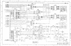
fantastic. This is exactly what I've been looking for. Thank you.Here is an excellent re-drawn version of the SE/30 schematics. This was created by one of the board members here, I didn't bookmark the original post I got it from so I can't give credit where credit is due, but I'm sure someone here will know who created it.
Definitely try out the board files with the Altium viewer too. Since it is a "map" of the board, it is very easy to visually follow a trace from point A to B. The reloaded board is not an exact copy of the original so not all components and traces are in the exact location as a stock board, but it is close enough to be helpful. The board files are on Bolle's GitHub page: https://github.com/TheRealBolle/SE30fantastic. This is exactly what I've been looking for. Thank you.
They may be, I thought they were close to the originals, but it's possible the board files would not be useful in this situation.Huh? I thought the traces on the reloaded board were routed differently?
Got it, consider my prior suggestion fully withdrawn.the reloaded is a 4 layer board whereas the original is 6 layer if i recall correctly...