
Would it be better to use a multimeter to check the frequency? Mine does have a mode for this.
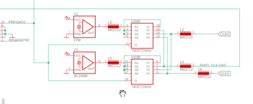
No, pins 9 and 18 are mutually-exclusive tri-state outputs. One of them will always be high-z if the other is driving, and vice versa. Either manipulate the FREQADJ signal or probe at pins 2 and 11 for the inputs. If 9 is showing a clock then 3, 5, and 7 should all show the same clock. If 18 is showing a clock then 12, 14, and 16 should all show the same clock. Also note that 3 and 12, 5 and 14, and 7 and 16 are wired together, so you should see the same active clock on both sides.Both oscillators' outputs produce a nice looking square wave, so if pin 18 definitely should be putting out 27.00MHz then U23 must be bad.
No, pins 9 and 18 are mutually-exclusive tri-state outputs. One of them will always be high-z if the other is driving, and vice versa. Either manipulate the FREQADJ signal or probe at pins 2 and 11 for the inputs.
Whups. Good catch: I didn't actually look at the logic there, just where a clock could be expected.No, pins 9 and 18 are mutually-exclusive tri-state outputs. One of them will always be high-z if the other is driving, and vice versa. Either manipulate the FREQADJ signal or probe at pins 2 and 11 for the inputs. If 9 is showing a clock then 3, 5, and 7 should all show the same clock. If 18 is showing a clock then 12, 14, and 16 should all show the same clock. Also note that 3 and 12, 5 and 14, and 7 and 16 are wired together, so you should see the same active clock on both sides.
Black level of output signal IIRC. It should be described in the tech docs.What does the IRE jumper do on the card? There are two positions, labelled 0.0 and 7.5.
Sounds right. NTSC black level is 7.5 IRE, NTSC-J black level is 0.0 IRE. Hence why some people recommend setting a US TV brightness to 7.5 if using an old Japanese game console over composite or RF. Presumably some other display standards have a similar variation.Black level of output signal IIRC. It should be described in the tech docs.
Validating this statement, I can get a start up if I lift both the /BERR and /HALT pins on U38, and Tattletech sees the card too.Yes, the card is continuously signalling the 68030 to retry the current bus cycle. Never exits; so it's essentially hung. Not immediately obvious what would cause the card to signal a retry; the manual doesn't reference it.