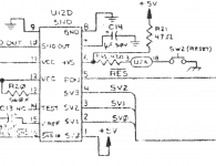
I am trying to diagnose a problem with vertical bars on a 512k and want to know if anyone has seen a documented boot sequence for a 128k/512k Mac so I can work through the sequence. I don't have any visual issues on the logicboard so I am down to trying to work out which chips may have problems. The fuzzy schematics I have been able to find aren't that helpful - or readable. What I am after is the triggering mechanism from when the power is turned on to get to a "bong", somewhere in there I have a problem.
Details can be found over here - unfortunately it seems to have been taken over by discussions re image formats on modern Apple's. :-(
Details can be found over here - unfortunately it seems to have been taken over by discussions re image formats on modern Apple's. :-(






