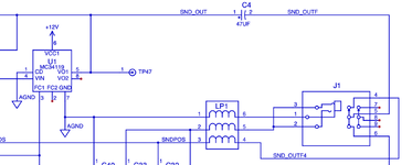
All the other caps came off no problem, but C4 took both of its pads completely off. Looking at the schematic for the Classic II (full at https://wiki.preterhuman.net/Macintosh_Classic_II_Logic_Board_Schematic , pic attached with C4 highlighted), I'm still not sure where to attach the replacement. One side goes to pin 5 of U1 (MC34119), the other side appears to go a pin on J1 that's part of the switch activated when a jack is inserted. I'm also unclear about how the polarity of C4 is oriented--google says the symbol used is an obsolete symbol for a non-polar cap. Any help with where and how to attach the C4 replacement is greatly appreciated.



