This project isn't as oven-ready as TashTalk, but at this point I've got enough of it working that I think it deserves a forum post...
Introducing... TashKM!
...This is how brands are built. =) Anyway...
Elevator Pitch
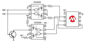
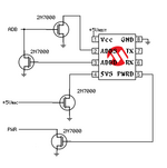
It's an ADB peripheral which appears to the computer as an extended keyboard and a basic 100 cpi mouse, and up to 16 of them can be daisy-chained together and controlled by a single host.
The vision here is to make your classic macs full citizens of your extended desktop using Barrier KVM (formerly known as Synergy until it went from open source to for-pay). The macs have their own monitors, but they, along with any other computer on your desk, share a single keyboard and a single mouse pointer, which moves seamlessly between monitors as though all were part of the same multi-monitor setup on one machine, and keyboard keystrokes are sent to whichever machine currently possesses the mouse pointer.
Project Status
Firmware working and passing basic tests, though not rigorously tested. Integration with Barrier KVM still in the idea phase.
Caveats
The daisy-chain functionality splits the PIC's UART, the receiver taking commands from the host or the previous unit and the transmitter relaying commands to the next unit if their destination is further down the chain, and so is unidirectional. The ADB implementation depends on a decent degree of intelligence on the host's side, especially with regard to the mouse - I may want to change that to a graphics tablet, but this will require more experimentation.
What's Next
Looking into how to integrate this with Barrier, for one thing, developing less breadboard-y hardware for it, for another.
Code
github.com
The remaining parts of this project start to get into areas with which I'm less familiar than PIC firmware, so if anyone finds this compelling and wants to pitch in, by all means let me know...
Introducing... TashKM!
...This is how brands are built. =) Anyway...
Elevator Pitch
It's an ADB peripheral which appears to the computer as an extended keyboard and a basic 100 cpi mouse, and up to 16 of them can be daisy-chained together and controlled by a single host.
The vision here is to make your classic macs full citizens of your extended desktop using Barrier KVM (formerly known as Synergy until it went from open source to for-pay). The macs have their own monitors, but they, along with any other computer on your desk, share a single keyboard and a single mouse pointer, which moves seamlessly between monitors as though all were part of the same multi-monitor setup on one machine, and keyboard keystrokes are sent to whichever machine currently possesses the mouse pointer.
Project Status
Firmware working and passing basic tests, though not rigorously tested. Integration with Barrier KVM still in the idea phase.
Caveats
The daisy-chain functionality splits the PIC's UART, the receiver taking commands from the host or the previous unit and the transmitter relaying commands to the next unit if their destination is further down the chain, and so is unidirectional. The ADB implementation depends on a decent degree of intelligence on the host's side, especially with regard to the mouse - I may want to change that to a graphics tablet, but this will require more experimentation.
What's Next
Looking into how to integrate this with Barrier, for one thing, developing less breadboard-y hardware for it, for another.
Code
GitHub - lampmerchant/tashkm: A daisy-chainable keyboard/mouse controller for ADB Macintosh computers.
A daisy-chainable keyboard/mouse controller for ADB Macintosh computers. - lampmerchant/tashkm
The remaining parts of this project start to get into areas with which I'm less familiar than PIC firmware, so if anyone finds this compelling and wants to pitch in, by all means let me know...
Last edited:





