There are a couple of threads about this topic.
68kmla.org
68kmla.org
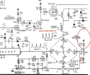
There is a common understanding that they are INcompatible. The connectors are different and Apple had reason for this stil ...I looked at the BOMARC schematics.
The pins are identified differently but on the board, they are in the same order.
About the schematics, I'm a software so here I am out of my comfort zone, my apologies in advance for improper terminology:
H/Y: is ground in both revisions
V/R: is connected to the same pin 8 of the TEA2037 chip, the passive components in the HEIGHT sections seem to be the same. The frequency and amplitude are also the same.
H/G: the width section has differences in the capacitors and resistors. The frequency and amplitude are the same.
V/I: there is a new small section in V center.
Is there anyone who could tell what are those differences and if a change on the board is possible to use a revA yoke in a rev B board and the other way around? In the threads cited above, there is a statement about a possible modification.


Adapting the late Mac Classic CRT yoke?
I bought a Macintosh Classic CRT, and the yoke is the wrong type (early yoke, late board). Is the pinout the same and is it possible to just adapt the pins somehow? Not sure if this is possible. Thanks, 68kPlus
68kmla.org
Are the early and late Macintosh Classic analog boards different?
Were the late analog boards in the Mac Classic noticeably different to the early models? Are late style yokes compatible with the early boards (with adapting)? I ended up with the wrong type CRT and would love it if somebody could help me out figuring this out.
68kmla.org
There is a common understanding that they are INcompatible. The connectors are different and Apple had reason for this stil ...I looked at the BOMARC schematics.
The pins are identified differently but on the board, they are in the same order.
| name | revA pin | revB pin |
| H/Y | 3 | 2 |
| V/R | 2 | 4 |
| H/G | 4 | 1 |
| V/I | 1 | 3 |
About the schematics, I'm a software so here I am out of my comfort zone, my apologies in advance for improper terminology:
H/Y: is ground in both revisions
V/R: is connected to the same pin 8 of the TEA2037 chip, the passive components in the HEIGHT sections seem to be the same. The frequency and amplitude are also the same.
H/G: the width section has differences in the capacitors and resistors. The frequency and amplitude are the same.
V/I: there is a new small section in V center.
Is there anyone who could tell what are those differences and if a change on the board is possible to use a revA yoke in a rev B board and the other way around? In the threads cited above, there is a statement about a possible modification.


