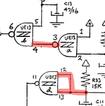
My SE/30 logic board (my only LB not washed/recapped solely by me) is riddled with residual corrosion. I can smell it when reflowing. It's my fault for believing the person who sold it was a professional in the first place, but this was ~10 years ago, when I would've made all these same errors. Should I dare trying to lift every single SMT component with hot air? Go for a Reloaded PCB?

