David Cook
Well-known member
I recently purchased a Macintosh IIcx where the seller indicated it wouldn't power up. I feared a battery bomb -- but I was really just after the SuperMac ColorCard with Accelerator daughterboard installed in the IIcx.

I disassembled the IIcx and was pleasantly surprised to discover a really clean board. No bombs. No capacitor leakage. I dutifully removed all of the old capacitors, ultrasonically washed the motherboard, and blew out all of the dust from the power supply and floppy drive.
I have so many old "Macintosh II Video Card"s (aka "Toby") that I always use one of them on newly acquired computers until I'm sure the voltages and computer are good. So, instead of reinstalling the cards that came with the IIcx purchase, I just installed a Toby.
The computer powered up perfectly. What did the seller mean it wouldn't power up? Did they even try?
MacTest Pro confirmed everything was great. But, after choosing Shutdown, the IIcx displayed the "It is now safe to switch off your Macintosh" dialog instead of actually powering down. Holding down the rear power button to force a power off also did nothing. This is weird because the IIcx motherboard is in perfect shape.
Swapping for a known-good power supply did not fix the problem.
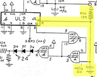
The Mac IIcx is easier to diagnose power problems because the power on/off circuitry is not underneath the power supply -- unlike the Mac IIci. With a little probing, I determined the issue was in this portion (image below) of the power-off circuitry. Pin 4 of UL2 is supposed to slowly rise to 5V after power up, to act as a delay before it will honor a power down. Otherwise, pressing the power button would immediately toggle between turning on and turning off. On this IIcx, the Pin 4 signal is always low.

After powering off (by pulling the power cord), I checked the traces, measured R26, and measured C10. Capacitor C10 is shorted. But this is a brand new capacitor rated at 5x the voltage. Do you see the short in the image below?

If you don't see the short, it's because it is covered up by the capacitor. Upon removing the capacitor, I discovered something really weird. You know how sometimes a part of the leg of an old capacitor is still stuck to the pad when decapping? I am usually excellent at removing all remnants. This time, I must have missed it. The old capacitor leg remained and bridged the pads of C10 when the new capacitor was installed. I could not have made that happen if I tried.
Upon reassembling the IIcx, everything worked perfectly, including powering down.
SUPERMAC COLORCARD 24
Time to swap in the SuperMac ColorCard! *** NOW THE IIcx WON'T POWER ON ***
Uh, oh. The seller was kinda right. The IIcx won't power up with the ColorCard installed. The power supply is producing the telltale click, click, click when it detects a short.
The multimeter indicates a short on the 12V rail of the card. Fast forward: capacitor C78 is bad and is shorting the 12V rail. But why? The answer is in the image below. (No stray metal pieces this time.)

Take a look at the capacitor rating.
SuperMac installed 10 V rated capacitors in 12 V situations! Tantalums should be twice the rating -- they absolutely must not be underrated.
Replacing both capacitors with properly rated replacements fixed the card and the allowed the IIcx to power up. Thank you Astec power supply for preventing a fire.
If you have a SuperMac ColorCard check for this factory error!
My card only has v1.0 of the ROM (attached). If you have a newer ROM, would you kindly upload it?
Aside: It looks like SuperMac left MacsBug symbols in the code in the ROM. I see them following RTS opcodes (4E 75).

PERFORMANCE
The Graphics Accelerator ColorCard/24 daughterboard works, which made me happy. I was surprised SuperVideo 2.7.5 software works with the v1.0 ROM.

However, the performance is stinky. With 256 colors (the Norton Utilities default), the card is slower than the stock Apple card, except for drawing a picture when acceleration is on. This shocks me. Why would any card be slower than an unaccelerated vanilla card?

As would be reasonably excepted, the performance is even slower with millions of colors. Except, scrolling with acceleration is faster than in 256 colors. Acceleration in millions helps in all cases except CopyBits. I guess Norton copies from local memory to the card, whereas scrolling is entirely within video memory.
In summary, for 256 colors with this ROM and Control Panel, the SuperMac ColorCard 24 performs poorly and is barely accelerated. I suspect this was targeted primarly at millions of colors usage.
- David

I disassembled the IIcx and was pleasantly surprised to discover a really clean board. No bombs. No capacitor leakage. I dutifully removed all of the old capacitors, ultrasonically washed the motherboard, and blew out all of the dust from the power supply and floppy drive.
I have so many old "Macintosh II Video Card"s (aka "Toby") that I always use one of them on newly acquired computers until I'm sure the voltages and computer are good. So, instead of reinstalling the cards that came with the IIcx purchase, I just installed a Toby.
The computer powered up perfectly. What did the seller mean it wouldn't power up? Did they even try?
MacTest Pro confirmed everything was great. But, after choosing Shutdown, the IIcx displayed the "It is now safe to switch off your Macintosh" dialog instead of actually powering down. Holding down the rear power button to force a power off also did nothing. This is weird because the IIcx motherboard is in perfect shape.
Swapping for a known-good power supply did not fix the problem.
The Mac IIcx is easier to diagnose power problems because the power on/off circuitry is not underneath the power supply -- unlike the Mac IIci. With a little probing, I determined the issue was in this portion (image below) of the power-off circuitry. Pin 4 of UL2 is supposed to slowly rise to 5V after power up, to act as a delay before it will honor a power down. Otherwise, pressing the power button would immediately toggle between turning on and turning off. On this IIcx, the Pin 4 signal is always low.

After powering off (by pulling the power cord), I checked the traces, measured R26, and measured C10. Capacitor C10 is shorted. But this is a brand new capacitor rated at 5x the voltage. Do you see the short in the image below?

If you don't see the short, it's because it is covered up by the capacitor. Upon removing the capacitor, I discovered something really weird. You know how sometimes a part of the leg of an old capacitor is still stuck to the pad when decapping? I am usually excellent at removing all remnants. This time, I must have missed it. The old capacitor leg remained and bridged the pads of C10 when the new capacitor was installed. I could not have made that happen if I tried.
Upon reassembling the IIcx, everything worked perfectly, including powering down.
SUPERMAC COLORCARD 24
Time to swap in the SuperMac ColorCard! *** NOW THE IIcx WON'T POWER ON ***
Uh, oh. The seller was kinda right. The IIcx won't power up with the ColorCard installed. The power supply is producing the telltale click, click, click when it detects a short.
The multimeter indicates a short on the 12V rail of the card. Fast forward: capacitor C78 is bad and is shorting the 12V rail. But why? The answer is in the image below. (No stray metal pieces this time.)

Take a look at the capacitor rating.
SuperMac installed 10 V rated capacitors in 12 V situations! Tantalums should be twice the rating -- they absolutely must not be underrated.
Replacing both capacitors with properly rated replacements fixed the card and the allowed the IIcx to power up. Thank you Astec power supply for preventing a fire.
If you have a SuperMac ColorCard check for this factory error!
My card only has v1.0 of the ROM (attached). If you have a newer ROM, would you kindly upload it?
Aside: It looks like SuperMac left MacsBug symbols in the code in the ROM. I see them following RTS opcodes (4E 75).

PERFORMANCE
The Graphics Accelerator ColorCard/24 daughterboard works, which made me happy. I was surprised SuperVideo 2.7.5 software works with the v1.0 ROM.

However, the performance is stinky. With 256 colors (the Norton Utilities default), the card is slower than the stock Apple card, except for drawing a picture when acceleration is on. This shocks me. Why would any card be slower than an unaccelerated vanilla card?

As would be reasonably excepted, the performance is even slower with millions of colors. Except, scrolling with acceleration is faster than in 256 colors. Acceleration in millions helps in all cases except CopyBits. I guess Norton copies from local memory to the card, whereas scrolling is entirely within video memory.
In summary, for 256 colors with this ROM and Control Panel, the SuperMac ColorCard 24 performs poorly and is barely accelerated. I suspect this was targeted primarly at millions of colors usage.
- David
